陆地观测卫星助力西班牙洪涝灾区监测时间:2024-11-06
当地时间2024年10月29日,西班牙东部和南部地区遭遇强降雨,多地发生洪水,陆路和航空运输受到影响,造成重大人员伤亡和财产损失。灾害发生后,习近平总书记就西班牙严重暴雨洪涝灾害向西班牙国王费利佩六世致慰问电,国合署发言人李明表示中方愿向西班牙政府和灾民提供力所能及的帮助。中国航天科技集团有限公司所属中国资源卫星应用中心立即启动重大自然灾害应急响应机制,第一时间为救援提供卫星图像信息,为灾害救助提供支持。
为掌握受灾区域实时情况,中国资源卫星应用中心作为CHARTER(空间与重大灾害国际宪章组织)的执行秘书和日常运行单位,值班人员周末及时响应,紧急调度在轨卫星,通过开展卫星综合统筹、测控资源协调和成像指令修改,迅速安排高分三号卫星对灾区进行观测。截至2024年11月5日,已安排卫星成像1次,获取灾后有效数据1景,共享历史数据5景,第一时间提供给CHARTER,及时提供灾情状况信息。
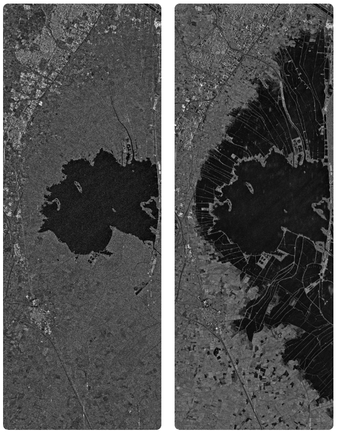
下图为西班牙瓦伦西亚地区受灾前后雷达卫星图像,可以清晰看出灾后洪水泛滥情况。

图1 西班牙瓦伦西亚地区受灾前后雷达卫星图像(左图为灾前高分三号02星,2024年4月26日采集;右图为高分三号卫星图像,2024年11月4日采集)
资源卫星中心将继续密切关注西班牙洪涝灾害状况,安排专人开展卫星遥感图像数据的获取工作,持续为洪涝抢险救灾、灾害评估等工作提供遥感卫星数据保障和分析服务。
附件:


